启东林益机械科技有限公司欢迎您!
启东林益机械科技有限公司
全国客服热线
0513-83659898
SRB-J/L系列手动润滑泵

SRB-J/L系列手动润滑泵

作者:lyjxkj    来源:未知    发布时间:2018-12-04 10:32    浏览量:
SRB-J/L系列手动润滑泵(10MPa、20MPa)
 

一、概述
本机是一种小型的润滑泵,可直接安装于机器的壁板或机架上,由人力扳动手柄,排出润滑脂,可与双线分配器组成手动集中润滑系统,向机器的各个润滑点供送定量润滑脂;适用于频率较低(一般给油间隔8小时以上),配管(DN 15)长度不超过50米,润滑点不超过80点的单机小型设备上,作为集中润滑供送润滑脂的装置。
 

二、技术参数

型 号
公称压力Mpa
给油量ml/循环
贮油筒容积
重量kg
标准型号
引进型号
SRB-J7Z-2
FB-4A
10
7
2
18
SRB-J7Z-5
FB-6A
5
21
SRB-L3.5Z-2
FB-42A
20
3.5
2
18
SRB-L3.5Z-5
FB-62A
5
21
使用介质为锥入度310-385(25℃,150g)1/10mm的润滑脂(NLGI0#-1#)和粘度等级大于N68的润滑油,适用环境温度-10℃~40℃。
 
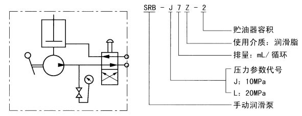
三、原理图                    
 
四、外形尺寸
型号
H
H1
SRB-J7Z-2
576
370
SRB-J7Z-5
1196
680
SRB-L3.5Z-2
576
370
SRB-L3.5Z-5
1196
680
 
五、动作说明
手动润滑泵供脂是由人工摆动手柄,通过小齿轮带动有齿条的供油柱塞往复运动实现的。当柱塞处于右端极限位置时,右端腔室压油结束,左端腔室吸油完毕。当摆动手柄,柱塞向左运动时,先关闭左腔室吸口,挤压润滑脂顶开单向阀经换向阀流道进入供油主管路Ⅱ内排出;此时柱塞右腔室的容积增大形成真空,其真空度逐渐增大,当柱塞运动到左端极限位置,右腔室吸口打开,在大气的作用下,润滑脂被吸入,反向上述动作,润滑脂顶开单向阀经换向阀流道进入供油主管路JJ排出。供油过程中的换向是通过换向阀的换向实现的。当把换向阀手钮推进时,则润滑脂从主管路II排出,当把换向阀手钮拉出时,则润滑脂从主管路I排出。

六、操作方法
1、将换向阀手钮推进至极限位置,供油主管lI供油。
2、摆动手柄前后运动,压力表指针波动变化,证明系列分配器在给油。
3、泵上压力表指示压力值上升保持稳定,证明系统分配器全部动作完成。
4、将换向阀手钮拉出至极限位置,供油主管I供油,按2、3条进行操作。
5、卸除管路压力,换向至供油主管II,为下一个工作循环准备,手柄扳至垂直位置。

七、使用说明
1、手动润滑泵应垂直安装,泵的上方及周围要留有指示杆上升及补脂操作的空间,需在室外或环境恶劣的场合安装时,应将泵置于防护罩内。
2、贮油器内无润滑脂时,不许操纵手柄,下油位应及时补脂。
3、向贮油器内加注润滑脂,必须使用专用的手动或电动加油泵从加油口充填。
4、泵使用压力不许超过泵的公称压力。
5、泵加油口的过滤网应定期检查、清洗。

 

故障现象
 故障原因  排除方法
泵的输出压力升不上去
 1.压力表损坏
 2.贮油器和配管里进入空气
 3.保险片破裂
 4.使用时间很长,柱塞与套过度磨损
 1.更换压力表
 2.打开排气阀排气
 3.更换保险片
 4.更换零件
泵的输出压力急剧上升
 1.换向阀换向未到位
 2.管路阻塞
 3.分配器动作不良
 1.换向位阀
 2.检查管路
 3.观察分配器动作情况
 

相关新闻推荐

在线客服 :

服务热线:0513-83659898

电子邮箱: qdlyjxkj@163.com

公司地址:启东经济技术开发区纬二路228号

启东林益机械科技有限公司,地处著名的长江三角洲开放城市江苏省启东市经济技术开发区,与上海浦东新区隔江相望,地理位置得天独厚,交通运输方便快捷。启东林益机械科技有限公司是涉及液压润滑设备、冶金石化设备、环...

友情链接: 启东南希网络科技   
Copyright © 2002-2019 启东林益机械科技有限公司 版权所有 备案号:苏ICP备13049917号-1